
Клапан регулирующий РК-1
- Клапан регулирующий типа РК-1 предназначен для регулирования расхода, давления, перепада давлений неагрессивной жидкости на теплоэнергетических объектах и тепловых сетях.
- Регулирующие клапана типа РК-1(РК-2) с мембранными гидравлическими приводами являются исполнительными органами гидравлических и автоматических регуляторов.
- Принцип действия клапана заключается в перемещении золотника и изменении тем самым расхода регулирующей среды пропорционально воздействию командного давления Рx, подаваемого в камеру мембранного гидропривода.
Технические характеристики
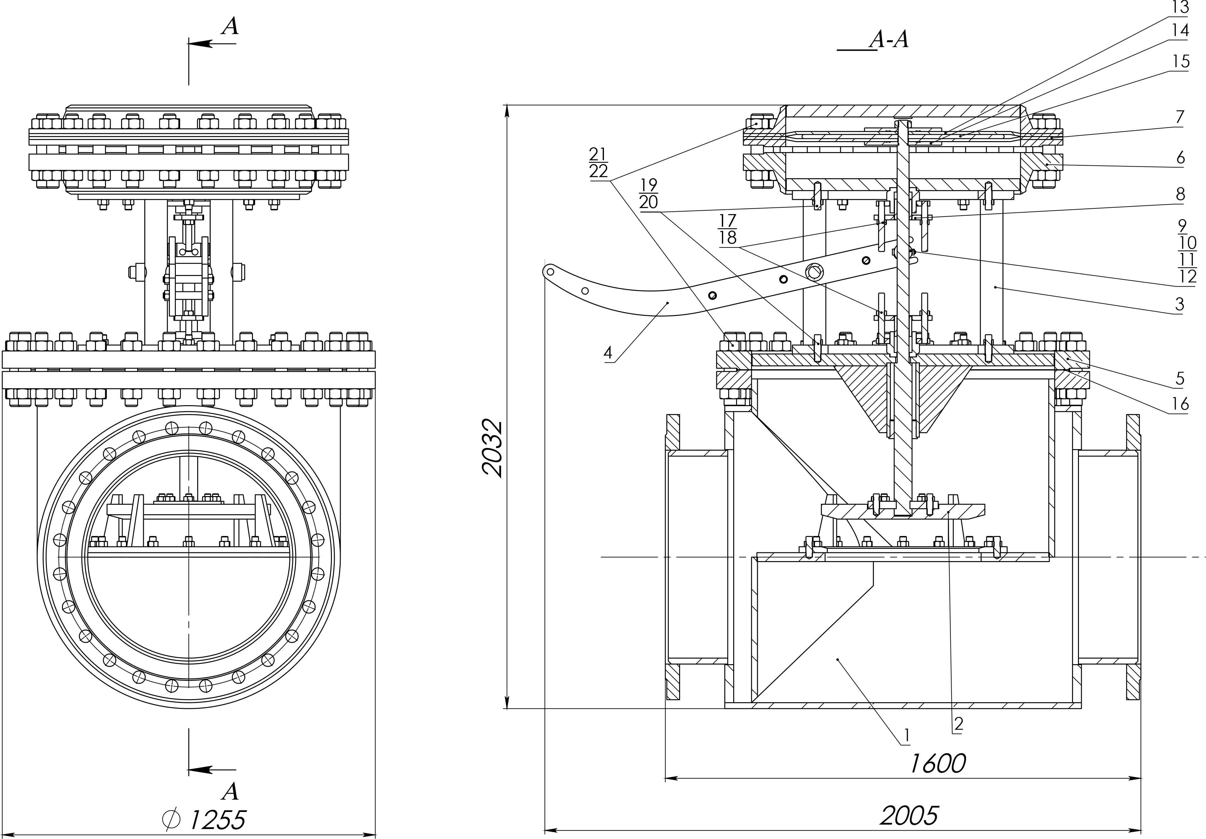
Габаритные размеры
Технические данные
Тип | Условный проход Dу, мм | Условное давление регулируемой среды Ру, МПа | Давление рабочей среды Рр, МПа | Температура, °С | Пропускная способность KV, м3/ч | Относительная протечка, %, KV | Ход S, мм | Масса, кг | |
регулируемой среды | рабочей среды | ||||||||
РК-1 | 150 | 1,6 | 0,2 - 1,0 | 180 | 70 | 250 | 0,01 | 31 ± 2 | 240 ± 10 |
РК-1 | 200 | 1,6 | 0,2 - 1,0 | 180 | 70 | 400 | 0,01 | 44 ± 3 | 345 ± 10 |
РК-1 | 250 | 1,6 | 0,2 - 1,0 | 180 | 70 | 600 | 0,01 | 50 ± 3 | 395 ± 10 |
РК-1 | 300 | 1,6 | 0,2 - 1,0 | 180 | 70 | 900 | 0,01 | 60 ± 3 | 890 ± 10 |
РК-1 | 400 | 1,6 | 0,2 - 1,0 | 180 | 70 | 1600 | 0,01 | 74 ± 3 | 1140 ± 20 |
РК-1 | 500 | 1,6 | 0,2 - 1,0 | 180 | 70 | 2500 | 0,005 | 86 ± 3 | 1700 ± 20 |
РК-1 | 600 | 1,6 | 0,2 - 1,0 | 180 | 70 | 3600 | 0,005 | 106 ± 3 | 2000 ± 20 |
РК-1 | 700 | 1,6 | 0,2 - 1,0 | 180 | 70 | 4900 | 0,005 | 130 ± 3 | 3200 ± 20 |
РК-1 | 700 | 2,5 | 0,2 - 1,0 | 180 | 70 | 4900 | 0,005 | 130 ± 3 | 3800 ± 20 |
РК-1 | 1000 | 2,5 | 0,2 - 1,0 | 180 | 70 | 10000 | 0,005 | 130 ± 3 | 4752 ± 20 |
Особенности конструкции
Регулирующий клапан типа РК-1 (ИК-25) с односедельным неразгруженным РО и МИМ представляет собой исполнительное устройство гидравлических регуляторов непрямого действия. Клапаны составляют регуляторы в комплекте с регулирующими приборами РД-3М, РД-3А, ПТ-1, ТМП и проч. Данные узлы обеспечивают поддержание технологических параметров заданных значений неагрессивных жидкостей и газообразных сред на объектах предприятий систем теплоснабжения , а также обеспечивают защиту данных объектов при сбое гидравлического режима. Клапан ИК-25 в основном применяется в качестве ускорителя в схемах регулирования давления и устройствах технологической защиты тепловых сетей, а также для увеличения скорости срабатывания клапанов РК-1 с большим условным проходом.
Клапан производства Газгидроснаб РК-1 Dy 1000 мм уникален тем, что имеет два исполнительных механизма, а также двух независимых регулирующих органа, при этом работа обоих исполнительных механизмов практически не отличается от функциональных возможностей одного привода других типоразмеров клапанов РК-1.
Наличие двух приводов, расположенных сверху и снизу клапана, продуцирует разницу гидростатических давлений в ИМ. Влияние разницы гидростатического давления может быть усилено или уменьшено в зависимости от отметки расположения приборов АСР по отношению к нижнему и верхнему ИМ. Расстояние между верхним и нижним ИМ составляет 3 м, таким образом, разница давлений в них может достигать 0,03 МПа.
Методические указания по наладке и обслуживанию гидравлических регуляторов в системах теплоснабжения
- Купить задвижка ду300 ру25 клиновая двухдисковая с выдвижным шпинделем
- Задвижка Ду600 Ру6 клиновая штампосварная с выдвижным шпинделем с доставкой по Луганск
- Задвижка Ду600 Ру80 клиновая с выдвижным шпинделем в наличии
- Задвижка Ду600 Ру10 клиновая с невыдвижным шпинделем в Луганск по цене от 367250 руб.