
Задвижка 30с914нж Ду1400 Ру2,5 клиновая штампосварная с выдвижным шпинделем
- Саморегулирующийся клин задвижки надежно контактирует с уплотнительными кольцами корпуса, что гарантирует стабильные значения герметичности изделия.
- Полная проходимость задвижки позволяет свободно перемещаться очистным и диагностическим устройствам по трубопроводу
- Облегченная конструкция корпуса, в отличие от литых или кованых задвижек с аналогичными характеристиками рабочей среды, имеет меньшую строительную длину и массу. Это позволяет использовать задвижки в ограниченных пространствах с минимальным числом опор.
Технические характеристики
Габаритные размеры
Условное обозначение задвижек клиновых штампосварных
ЗК | X. | ХХХ. | ХХ. |
---|---|---|---|
Тип уплотнения | |||
- | |||
- | |||
Исполнение по присоединению к трубопроводу | |||
Фланцевое | Ф | ||
Приварное | П | ||
Номинальный диаметр | |||
DN | 1400-2000 | ||
Номинальное давление | |||
PN | 2,5 |
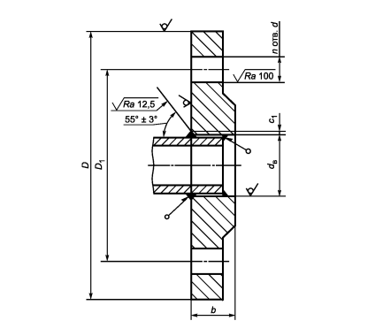
Схема задвижки | Габаритные и присоеденительные размеры фланца |
Габаритные размеры задвижки клиновой штампосварной
Условное обозначение | Наименование | DN, мм | PN кгс/см2 | D** | D1** | n** | d** | L* | H*** | Номинальный диаметр болтов или шпилек |
ЗК.Ф.250.10 | 30с942нж | 250 | 10 | 390 | 350 | 12 | 22 | 250 | * | М20 |
ЗК.Ф.300.10 | 30с942нж | 300 | 10 | 440 | 400 | 12 | 22 | 270 | * | М20 |
ЗК.Ф.400.6 | 30с946нж | 400 | 6 | 535 | 495 | 16 | 22 | 310 | * | М20 |
ЗК.Ф.500.6 | 30с946нж | 500 | 6 | 640 | 600 | 16 | 22 | 350 | * | М20 |
ЗК.Ф.600.6 | 30с946нж | 600 | 6 | 755 | 705 | 20 | 26 | 390 | * | М24 |
ЗК.Ф.800.4 | 30с947нж | 800 | 4 | 975 | 920 | 24 | 30 | 470 | * | М27 |
ЗК.Ф.800.16 | 30с950нж | 800 | 16 | 1020 | 950 | 24 | 39 | 1000 | * | М36 |
ЗК.Ф.1000.4 | 30с947нж | 1000 | 4 | 1175 | 1120 | 28 | 30 | 550 | * | М27 |
ЗК.Ф.1200.4 | 30с947нж | 1200 | 4 | 1375 | 1320 | 32 | 30 | 630 | * | М27 |
ЗК.Ф.1400.2.5 | 30с914нж | 1400 | 2,5 | 1575 | 1520 | 36 | 30 | 710 | * | М27 |
ЗК.Ф.1600.2.5 | 30с914нж | 1600 | 2,5 | 1785 | 1730 | 40 | 30 | * | * | М27 |
ЗК.Ф.2000.2.5 | 30с914нж | 2000 | 2,5 | 2190 | 2130 | 48 | 30 | * | * | М27 |
ЗК.Ф.1400.1 | 30с911нж | 1400 | 1 | 1575 | 1520 | 36 | 30 | * | * | М27 |
ЗК.Ф.1500.1 | 30с911нж | 1500 | 1 | 1690 | 1630 | 40 | 30 | * | * | М27 |
ЗК.Ф.1600.1 | 30с911нж | 1600 | 1 | 1785 | 1730 | 40 | 30 | * | * | М27 |
ЗК.Ф.2000.1 | 30с911нж | 2000 | 1 | 2190 | 2130 | 48 | 30 | * | * | М27 |
Внимание!
* Строительная длина L - в соответствии с ГОСТ 3706-93 ЗАДВИЖКИ. Строительные длины, Ряд 3.
** Присоеденительные размеры фланцев в соответствии с ГОСТ 33259-2015 Фланцы арматуры, соединительных частей и трубопроводов на номинальное давление до PN 250.
*** Высота задвижки , H, сообщается по запросу.
Климатическое исполнение
по ГОСТ 15150:
• «У» (температура окружающего воздуха от минус 40 °С до плюс 40 °С);
• «Т» (температура окружающего воздуха от минус 10 °С до плюс 50 °С);
• «ХЛ» (температура окружающего воздуха от минус 60 °С до плюс 40 °С).
Категория размещения задвижек – 1 по ГОСТ 15150.
По требованию заказчика возможно изготовление изделий в иных климатических исполнениях.
Класс герметичности
по ГОСТ 9544-2015 «В», «С» или «D». По требованию задвижки могут быть выполнены в соответствии с классом герметичности «А» (без видимых протечек) на момент приемосдаточных испытаний.
Требования к выбору электроприводов
DN, мм | PN кгс/см2 | Обозначение по чертежу | Полное число оборотов втулки кулачковой | Настройка муфты крутящего момента, Н.м | Тип присоединиения к арматуре по ГОСТ 34287 |
250 | 10 | ЗК.Ф.250.10 | 50 | 110 | Б |
300 | 10 | ЗК.Ф.300.10 | 50 | 125 | Б |
400 | 6 | ЗК.Ф.400.6 | 66 | 150 | Б |
500 | 6 | ЗК.Ф.500.6 | 63 | 290 | Б |
600 | 6 | ЗК.Ф.600.6 | 75 | 380 | Б |
800 | 4 | ЗК.Ф.800.4 | 100 | 530 | В |
800 | 16 | ЗК.Ф.800.16 | 80 | 2250 | Г |
1000 | 4 | ЗК.Ф.1000.4 | 125 | 840 | В |
1200 | 4 | ЗК.Ф.1200.4 | 120 | 1440 | Г |
1400 | 2,5 | ЗК.Ф.1400.2.5 | * | * | Г |
1600 | 2,5 | ЗК.Ф.1600.2.5 | * | * | Г |
2000 | 2,5 | ЗК.Ф.2000.2.5 | * | * | Г |
1400 | 1 | ЗК.Ф.1400.1 | * | * | Г |
1500 | 1 | ЗК.Ф.1500.1 | * | * | Г |
1600 | 1 | ЗК.Ф.1600.1 | * | * | Г |
2000 | 1 | ЗК.Ф.2000. | * | * | Г |
* Данные предоставляются по запросу
Особенности конструкции
Задвижка модели 30с914нж, выполненная методом сварки и оснащенная клиновым механизмом. Управление задвижкой возможно с подключением электропривода, или установкой редуктора. Задвижка данного типа служит запорным устройством на трубопроводах с диаметрами Ду: 400, 500, 600 мм. Она предназначена для работы с различными жидкими и газообразными средами, которые не оказывают агрессивного воздействия на детали задвижки, при давлении до 0,6 МПа и температуре до 300 °C. В ассортименте завода также представлена аналогичная модель с ручным приводом. Установка возможна в любом положении в верхней полусфере, включая горизонтальное (рекомендуется установка электроприводом вверх), независимо от направления потока рабочей среды. Шпиндель оснащен сальниковым уплотнением, а крышка — плоской прокладкой.
Подшипники качения в бугельном узле уменьшают нагрузки на приводное устройство и облегчают эксплуатацию задвижки. Кольца сальникового узла, выполненные из терморасширенного графита, способствуют снижению фрикционного износа шпинделя и продлевают срок службы сальникового уплотнения.